Engineering Excellence In Action

Sustainability Coordination and Documentation
The client required sustainability coordination and documentation support for a large-scale infrastructure rehabilitation project that sought to achieve certification under

Semi Annual Landfill Monitoring
The client required ongoing environmental monitoring and reporting to maintain compliance with state regulations and the site’s long-term environmental management

High Voltage Support of Solar Interconnects
As renewable generation continues to expand across Colorado and the greater U.S. power grid, utility owners and developers face complex

OOOOc Compliance Walkdowns
The client required a comprehensive assessment of over 80 production facilities to evaluate compliance with proposed EPA 40 CFR 60

Noise Monitoring
The client required nighttime noise monitoring to verify compliance with a municipal Department of Public Health and Environment (DPHE) noise

Multi-Site Midstream Tie In Project
The client required a comprehensive engineering and design solution for a complex, multi-site pipeline tie-in project involving several interconnected valve

Midstream Plant Operational Efficiency Upgrades
The client required critical piping and equipment modifications to improve operational efficiency and system reliability within an existing process unit.

Meter Skid Tie In Project
The client required a detailed engineering and design solution to integrate multiple new meter skids—a main meter skid, a buy-back

Helium Plant Process Study
A client required a detailed process engineering study to evaluate the technical and economic feasibility of developing a new helium

Permian Basin CTB-Facility Design Program
The client required a multi-facility program to design and construct a series of centralized tank batteries (CTBs) to serve multiple

Cliff Swallow Nest Management – Culvert Project
Prior to a culvert rehabilitation project, Halker’s environmental team identified the potential for nesting conflicts with cliff swallows—a migratory species

City-Operated General Electric DER Adoption
A city-operated utility launched a Smart Grid Test Bed pilot program across three metropolitan areas to better understand how Distributed

CABI Monitoring
The client required environmental oversight and documentation for a redevelopment project involving significant soil disturbance at a former industrial site.

Bald Eagle Protection
During bridge maintenance activities, crews discovered an active bald eagle nest containing two eaglets within the federally protected ½-mile buffer

Bakken Basin CTB Facility Design Program
The client required an Owner’s Engineer to support the design and implementation of new centralized tank battery (CTB) facilities in

CTB-Facility Design Program
The client required detailed engineering and design for multiple centralized tank battery (CTB) and well pad facilities in New Mexico.

SWD Engineering and Design
The client required a comprehensive engineering and design solution for a new saltwater disposal (SWD) facility that aligned with established

SWD Commissioning and Construction Support
The client required comprehensive commissioning and startup support for a newly constructed saltwater disposal (SWD) facility. The project assumed mechanical

Permian Basin OOOOb Compliance Walk Downs
The client required accurate and verifiable greenhouse gas (GHG) emissions data for existing facilities across the Permian Basin. Many sites

Midstream Plant Expansion
The client required comprehensive engineering and design support to execute a series of upgrades at an existing natural gas processing

Helium Plant Engineering & Design
The client required a full engineering and design solution for a new helium processing facility capable of handling complex gas

Health and Safety Plan (HASP)
The client required comprehensive environmental compliance and health and safety support for a large transportation infrastructure project that intersected multiple

Gas Plant Optimization Study
The client required a comprehensive evaluation and process optimization effort to improve the accuracy of an existing gas processing plant

Engineering Site Assessments
The client required detailed engineering assessments for twenty well pad facilities in the Permian Basin to verify compliance with federal

Anadarko Basin OOOOb Compliance Walk Downs
The client required accurate and verifiable greenhouse gas (GHG) emissions data for existing facilities across the Permian Basin. Many sites

10,000-20,000 BBLPD SWD Engineering and Design
The client required a fully integrated engineering and design solution for a new 10,000 BBLPD saltwater disposal (SWD) facility, with

Greenfield Compressor Station Engineering and Design
The client required full engineering, design, and project management support for the development of a new greenfield gas gathering compressor

Bulk Test Conversion for Sour Service CTB Facility
The client required the conversion of existing Central Tank Battery (CTB) facilities into a large-scale sour service production site capable

Salt Water Disposal Facility & Infrastructure
Halker was tasked with coordinating the design of the Water Gathering Infrastructure with the contractors responsible for the Oil &

Sour Gas CTB-Facility Design
The client required a new centralized tank battery (CTB) in the Permian Basin capable of safely handling production from multiple

Water Injection
A Halker Client was in need of water injection facilities that could meet the needs of their water flood at

Remedial Investigation & Design
Halker and its legacy company, Cascade Environmental, has completed over 200 projects for numerous contractors on a wide variety of

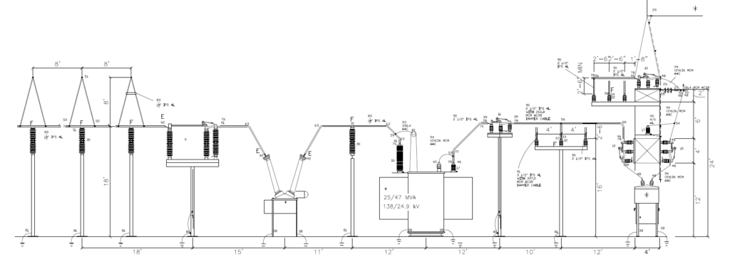
138kV to 25kV 50MVA Substation
To serve as the Owner’s Advisor on behalf of our client for a new substation project. This new substation would

Mercury Removal & Bonus Target
In 2020, a Midstream distribution company (“Client”), with nearly 10,000 miles of pipelines and over 50 terminals for refined petroleum

Conversion of Biomass Waste to Jet Fuel
Our client owns a process to convert carbon containing feedstock into syngas. This specific technology was selected for application at

Power Distribution Sectionalizing Fuses
Halker’s client reached out to Halker to size sectionalizing fuses for their power distribution feeder taps to provide more sectionalizing

Power Distribution Field Inspection & Evaluation
This client reached out to Halker because they were having power reliability problems with their current utility interconnection and power

Fugitive Emissions Study
The client needed to reduce or eliminate fugitive emissions from over 50 existing upstream production facilities in order to meet

Power Infrastructure Feasibility Study
his client approached Halker to perform a feasibility study and preliminary design for the required power infrastructure to supply around

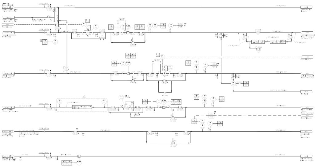
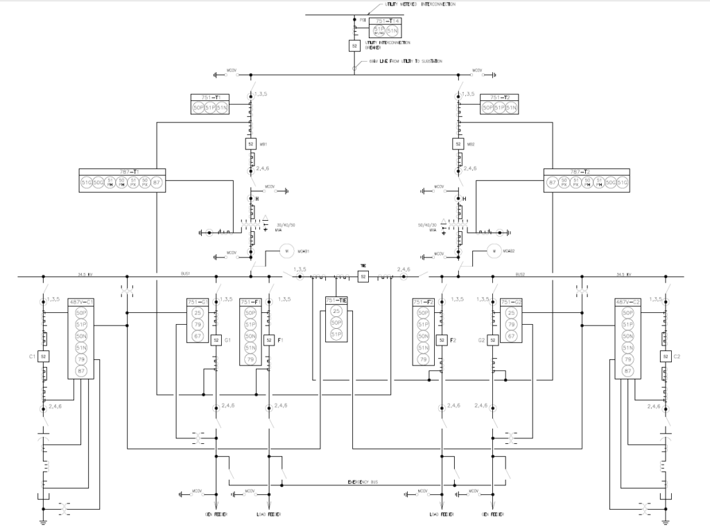
Electrical System Studies
The client reached out to Halker to perform electrical studies on both existing and new-built assets. Through the studies, Halker

Full-Field Development
Process Engineering, Project Engineering, Equipment Design, Civil/Structural Design, Electrical Design, Instrumentation Design

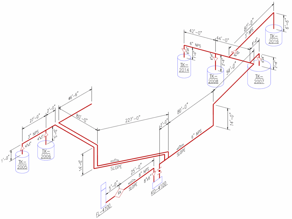
Hydraulic Modeling Study
The client requested hydraulic modeling and simulation of existing gas and water pipeline networks in order to assess wellhead pressures

Phase I, II and III Environmental Assessments & Risk Analyses
Client Challenge: to conduct Phase I, Phase II and Phase III Contaminant Assessments to characterize the nature and extent of

Gathering and Pipeflow Modeling
A Texas based company looked to longtime partner Halker Consulting, to create a flow model of the design for an

Remedial Design and Construction Management
Engineering, design and construction services associated with the removal of 5,600 yd3 of radiologically-contaminated concrete and asphalt cover and the

Flare Study Project
As federal regulations continue to change and become more stringent, Oil and Gas companies must conform to these guidelines in

Flare System Retrofit
In 2015, a publicly traded pipeline transport company (“Client”), approached Halker Consulting (“Halker”) to evaluate a recently acquired gas plant.

Frac Tower Return to Service
In 2015, a Midstream distribution company (“Client”), with terminals spanning across the United States, approached Halker
Consulting LLC (“Halker”)

Coal Additive System
The client had developed a process to reduce emissions at a coal power plant in Arizona, but needed assistance with

Gas Compressor Station
As with many Halker customers, this Texas based organization was challenged with a lack of internal engineering resources to match

Three Phase Separator
This experienced customer came to Halker Consulting with a need to design and engineer a three phase separator for multiple

Facilities Conversion to Meet Evolving Needs
Maybe they were not producing enough oil and gas previously to justify the infrastructure investment, or maybe the wells in

Regulatory & Environmental Site Review
Mergers and acquisitions can be challenging for oil and gas firms, due to the sheer number of regulatory and environmental

Strategic Field Development
The widespread adoption of offshore-born approaches by surface well operators in the last several years has been game changing for

Central Processing Facilities
As the American oil and gas industry moves away from single-well, vertical drilling techniques and embraces the opportunities available via

Multi-Well Site Facilities
The paradigm of American energy is undergoing a massive transformation. In addition to the evolution of renewable energy technologies, and